PREČO SME LEPŠÍ?
POPIS
Plisé sieť proti hmyzu na okno v prevedení LITE má moderný vzhľad a vďaka vnútornému rohovému spájaču spoje nie sú okom viditeľné. Hliníkové profily rezané pod 45° uhlom zabezpečujú presné lícovanie a vysokú pevnosť konštrukcie. Použitý hliník nehrdzavie, preto je sieť vhodná na dlhodobé vonkajšie použite – odoláva poveternostným vplyvom a zachováva si svoj tvar aj farbu. Použitý typ sieťoviny je Glass Fiber – kvalitná plisovaná, sklolaminátová sieťovina. Napínanie sieťoviny je riešené pomocou napínača umiestneného priamo v profile takže jednoduchým posunutím bez potreby demontáže výrobku sieťovinu napnete.
Výhody produktu:
- dodávané v zloženom (poskladanom) stave - nie je to demont
- dodávané s kompletným montážnym príslušenstvom
- výroba na mieru priamo od slovenského výrobcu
- jednoduchá montáž
- odolné voči vonkajším poveternostným podmienkam
Sieť je možné jednoducho namontovať buď pomocou obojstrannej lepiacej pásky, alebo priskrutkovaním do rámu okna.
Možnosti rozmerov sietí – šírka od 300 mm do 1400 mm a výška od 400 mm do 1800 mm.
Objednávací rozmer je koncový rozmer rámu siete proti hmyzu PLISÉ LITE (tzv. obrysový rozmer).

V ponuke farieb profilov máme tieto základné RAL odtiene:
- RAL 7016 – antracit
- RAL 9016 – biela
- RAL 8003 – hnedá
- RAL 8016 – tmavohnedá
- RAL 9006 - sivá
- Zlatý dub
- Orech
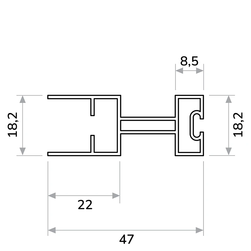
Ukážka rezu profilu rámu, rezu prodilu madla a osadenie na rám okna:




Odporúčame siete čistiť aspoň dvakrát ročne – raz pred zimou a raz počas sezóny. Pravidelná starostlivosť predĺži životnosť sietí.
Vysávanie na nízkom výkone
Siete môžete čistiť vysávačom nastaveným na najnižší výkon. Jemne povysávajte plochu siete, aby ste odstránili prach a nečistoty. Dávajte pozor, aby ste sieť nepoškodili alebo nedeformovali.
Kefka a vlhká handrička
Na čistenie môžete použiť mäkkú kefku. Rám aj sieť dôkladne pretrite vlhkou handrou. Použiť môžete aj mydlovú vodu. Nepoužívajte agresívne chemikálie ani riedidlá.
Oplachovanie vodou
Po vyčistení je vhodné siete opláchnuť čistou vodou. Následne nechajte sieť dôkladne vyschnúť.
Skladovanie pred zimou
Na zimu siete uskladnite v suchom, chránenom priestore. Môžete ich zabaliť do ochrannej fólie – na jar budú pripravené na okamžité použitie.
Ak sa vám niektorý komponent vašej siete poškodil vplyvom používania alebo sa náhodne zlomil, nemusíte sa obávať – všetky náhradné diely si môžete jednoducho objednať.
Stačí nám napísať e-mail, v ktorom uvediete:
- číslo vašej predošlej objednávky (ak ho máte k dispozícií)
- stručný popis alebo fotografiu poškodeného dielu
Ak číslo objednávky už nemáte, nevadí – radi ho dohľadáme podľa vašich kontaktných údajov (meno, e-mail, telefónne číslo).
O všetko sa postaráme my. S radosťou vám pripravíme objednávku potrebných náhradných dielov a pomôžeme, aby vaše siete opäť spoľahlivo fungovali.